型号:D71J
通径:DN15-DN400
压力范围:PN0.6-1.0MPA
工作温度:≤80°
阀体材质:HT250 QT450 WCB CF8 CF8M
适用介质:水、空气、油品、腐蚀性
操作方式:手轮 气动 电动
全衬胶对夹蝶阀适用于温度≤150℃,弱腐蚀或洁净度有一定要求工况,在食品、医药、化工、石油、电力、轻纺、造纸等给排水、气体管道上作调节流量和截流介质的作用。
1、密封件可以更换,密封性能可靠达到双向密封零泄漏。
2、操力矩小,操作方便,省力灵巧。
3、可以任何位置安装,维修方便。
4、设计新颖、合理、结构独特,重量轻,启闭迅速。
5、密封材料耐老化、耐弱腐蚀,使用寿命长等特点。
| 公称通径 | DN(mm) | 50~2000 | ||
| 公称压力 | PN(MPa) | 0.6 | 1.0 | 1.6 |
| 试验压力 | 强度试验 | 0.9 | 1.5 | 2.4 |
| 密封试验 | 0.66 | 1.1 | 1.76 | |
| 气密封试验 | 0.6 | 0.6 | 0.6 | |
| 适用介质 | 空气、水、污水、蒸气、煤气、油品等。 | |||
| 驱动形式 | 手动、蜗杆蜗轮传动、气动、电动。 | |||
| 零件名称 | 材料 |
| 阀体 | 球墨铸铁、铸钢、合金钢、不锈钢 |
| 蝶板 | 不锈钢2507、1.4529、球铁衬胶及特殊材料 |
| 密封圈 | 各种橡胶、聚四氟 |
| 阀杆 | 2Cr13、不锈钢 |
| 填料 | O型圈、柔性石墨O |
| 材料品种 | 氯丁橡胶 | 丁晴橡胶 | 乙丙橡胶 | 聚四氟乙烯 | 硅橡胶 | 氟橡胶 | 天然橡胶 |
| 英语简称 | CR | NBR | EPDM | PTFE | SI | VITON | NR |
| 型号代号 | X或J | XA或JA | XB或JB | F或XC、JC | XD或JD | XE或JE | X1 |
| 耐最高温度 | 82℃ | 93℃ | 150℃ | 232℃ | 250℃ | 204℃ | 85℃ |
| 耐最低温度 | -40℃ | -40℃ | -40℃ | -268℃ | -70℃ | -23℃ | -20℃ |
| 适用工作温度 | 0~+80℃ | -20~+82℃ | -40~+125℃ | -30~+150℃ | -70~+150℃ | -23~+150℃ | -20~+85℃ |

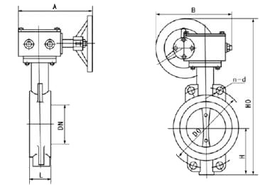
| DN | 主 要 外 形 尺 寸 | 主 要 连 接 尺 寸 | |||||||||
| 0.6 MPa | 1.0 MPa | 1.6 MPa | |||||||||
| L | H | HO | A | B | DO | n-d | DO | n-d | DO | n-d | |
| 50 | 43 | 63 | 306 | 180 | 200 | 110 | 4-14 | 125 | 4-18 | 125 | 4-18 |
| 65 | 46 | 70 | 321 | 180 | 200 | 130 | 4-14 | 145 | 4-18 | 145 | 4-18 |
| 80 | 46 | 83 | 346 | 180 | 200 | 150 | 4-18 | 160 | 8-18 | 160 | 8-18 |
| 100 | 52 | 105 | 387 | 180 | 200 | 170 | 4-18 | 180 | 8-18 | 180 | 8-18 |
| 125 | 56 | 115 | 411 | 180 | 200 | 200 | 8-18 | 210 | 8-18 | 210 | 8-18 |
| 150 | 56 | 137 | 447 | 270 | 280 | 225 | 8-18 | 240 | 8-22 | 240 | 8-22 |
| 200 | 60 | 164 | 572 | 270 | 280 | 280 | 8-18 | 295 | 8-22 | 295 | 12-22 |
| 250 | 68 | 206 | 646 | 270 | 280 | 335 | 12-18 | 350 | 12-22 | 355 | 12-26 |
| 300 | 78 | 230 | 738 | 380 | 420 | 395 | 12-22 | 400 | 12-22 | 410 | 12-26 |
| 350 | 78 | 248 | 761 | 380 | 420 | 445 | 12-22 | 460 | 16-22 | 470 | 16-26 |
| 400 | 102 | 289 | 877 | 450 | 470 | 495 | 16-22 | 515 | 16-26 | 525 | 16-30 |
| 450 | 114 | 320 | 938 | 480 | 490 | 550 | 16-22 | 565 | 20-26 | 585 | 20-30 |
| 500 | 127 | 343 | 993 | 480 | 490 | 600 | 20-22 | 620 | 20-26 | 650 | 20-33 |
| 600 | 154 | 413 | 1131 | 480 | 490 | 705 | 20-26 | 725 | 20-30 | 770 | 20-36 |
| 700 | 165 | 478 | 1476 | 640 | 660 | 810 | 24-26 | 840 | 24-30 | 840 | 24-36 |
| 800 | 190 | 525 | 1533 | 640 | 660 | 920 | 24-30 | 950 | 24-33 | 950 | 24-39 |
| 900 | 203 | 585 | 1655 | 750 | 860 | 1020 | 24-30 | 1050 | 28-33 | 1050 | 28-39 |
| 1000 | 216 | 640 | 1765 | 850 | 900 | 1120 | 28-30 | 1160 | 28-36 | 1170 | 28-42 |
| 1200 | 254 | 755 | 1995 | 850 | 900 | 1340 | 32-33 | 1380 | 32-39 | 1390 | 32-48 |